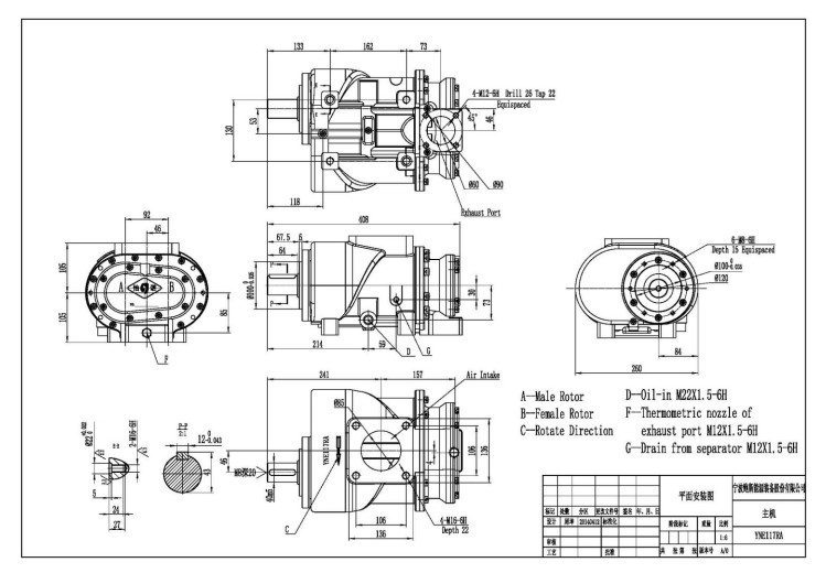
Компрессорный винтовой блок BAOSI YNE117RA (модификация AA6D)
Винтовой блок BAOSI YNE117RA (модификация AA6D) — это маслозаполненная одноступенчатая винтовая ступень, предназначенная для эффективного сжатия воздуха в составе промышленных компрессоров мощностью от 7,5 до 22 кВт. Устройство обеспечивает стабильную подачу сжатого воздуха в диапазоне давлений от 7 до 17 бар и является ключевым узлом, определяющим ресурс всей компрессорной установки.
Технические характеристики
|
Параметр
|
Значение
|
|---|---|
|
Рекомендуемая мощность двигателя
|
7,5 – 22 кВт
|
|
Диапазон производительности
|
0,46 – 1,65 м³/мин
|
|
Рабочее давление
|
0,7 – 1,7 МПа (7 – 17 бар)
|
|
Частота вращения роторов
|
2200 – 3570 об/мин
|
|
Тип привода
|
Ременный или прямой
|
|
Код модификации
|
AA6D
|
|
Температура нагнетания (номинал)
|
до 85°C
|
Преимущества и ключевые особенности (УТП)
- Инновационный профиль роторов: Применение запатентованной геометрии зубьев (Next-generation gear tooth form) существенно снижает уровень внутренних перетечек воздуха, что повышает объемный КПД и снижает удельное энергопотребление.
- Специализированная модификация AA6D: Данный буквенный код подтверждает использование усиленного пакета подшипников и специализированных уплотнений вала, адаптированных для стабильной работы при высоком давлении до 17 бар.
- Высокая термическая стабильность: Конструкция корпуса и системы впрыска масла оптимизирована для работы при температуре масла на входе до 60°C, обеспечивая долговечность роторной группы даже в тяжелых температурных условиях.
- Универсальность интеграции: Компактный дизайн позволяет использовать блок YNE117RA как в компрессорах с ременной передачей, так и в современных установках с частотно-регулируемым прямым приводом.
Сферы применения
- Металлообработка: Обеспечение работы станков лазерной резки.
- Автомобильная индустрия: Питание окрасочных линий и мощного пневмоинструмента.
- Мебельное производство: Работа пневматических прессов и систем ЧПУ.
- Строительство: Использование в составе мобильных компрессорных станций.
«В моей практике блок YNE117RA с маркировкой AA6D зарекомендовал себя как крайне надежный узел для машин мощностью 15–22 кВт. Однако важно учитывать актуальное состояние рынка: на текущий момент эта модель официально снята с производства. На замену ей пришел более совершенный блок YNE114RB (BD3W). При проведении капитального ремонта или замене старой винтовой пары я настоятельно рекомендую проверять буквенный код на шильдике. Модели с одинаковым названием, но разными кодами (например, AA6D и другие ревизии), могут отличаться посадочными местами или направлением вращения».
Соответствие стандартам
- ISO 1217-2009: Стандарт приемки объемных компрессоров, гарантирующий точность заявленных данных по производительности.
- ISO 8573.1: Качество сжатого воздуха (при использовании соответствующей системы очистки).
- GB18613-2020 / GB19153-2019: Китайские государственные стандарты энергоэффективности, которым соответствуют компоненты BAOSI.

